高压变频&SVG
-
行业需求
-
行业应用方案
-
产品选型推荐
行业需求
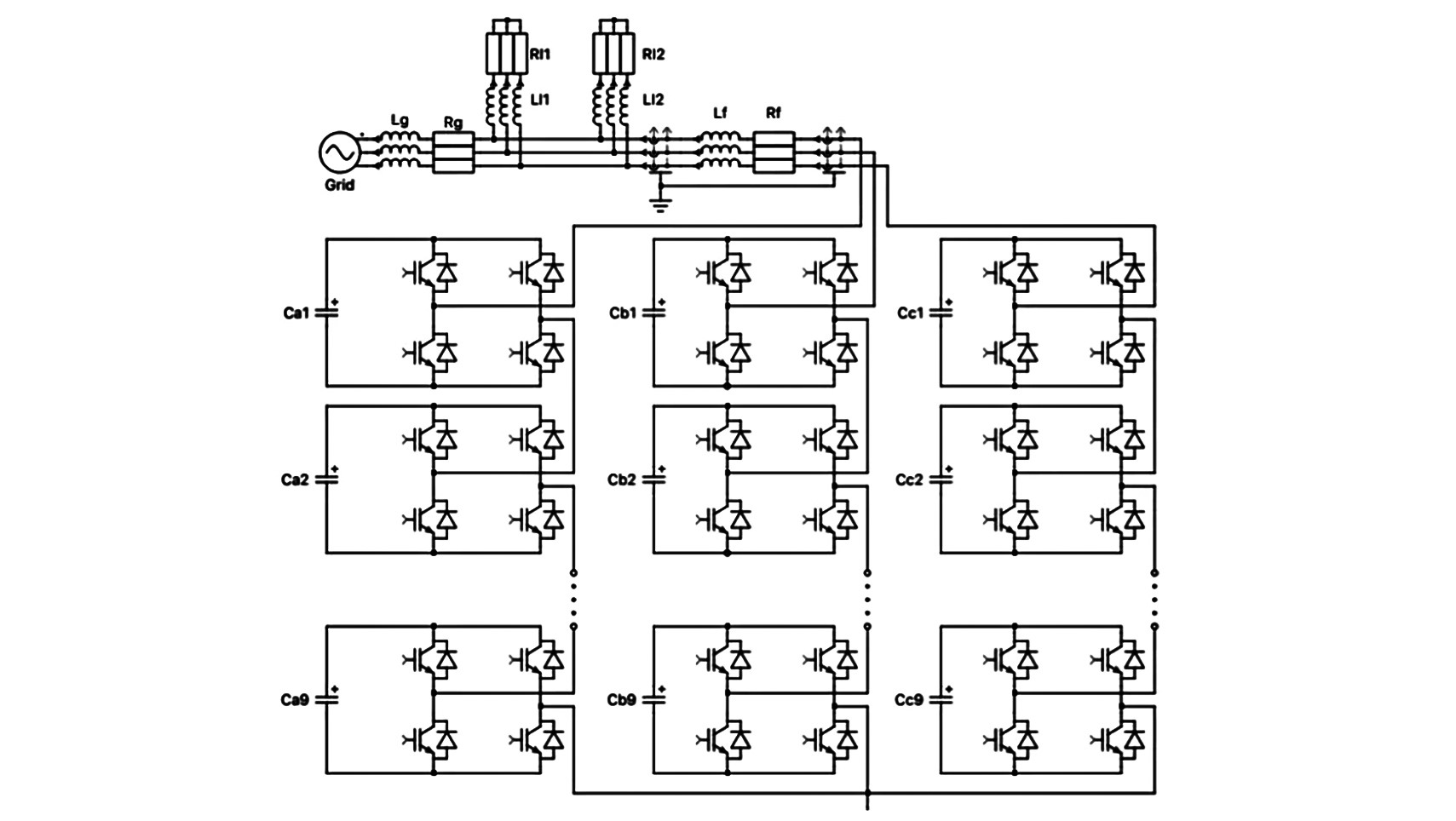
级联型H桥拓扑结构简单,扩展灵活,目前已经在高压级联型变频器、静止无功发生器 SVG 中获得了广泛应用。
在工业应用中,电机作为风机、泵、压缩机、皮带机、破碎机等各种机械设备的驱动装置,其耗电量巨大。采用级联型变频器与生产工艺相结合,可以显著地降低电机能耗。
SVG 主要应用于提升电网的输电容量及稳定暂态电压,也可实现输配电网、风电和光伏电站无功调压,矿山、石化、煤矿、等行业的功率因数控制、母线电压闪变抑制及补偿不平衡负荷、滤除负荷谐波电流,达到提高电能质量,节约用电的目的。
DDPAY钱包科技推出75A-450A不同电流等级的半桥?楹75A-150A的H桥一体化?。通过每相采用单个或两个及以上半桥?椴⒘,基本可以覆盖3kV-10kV高压变频器的中小功率范围和一部分大功率范围、3kV-35kV级联储能系统的中等容量范围、3kV-35kV SVG 的中等容量范围。同时针对小功率段的高压变频器,使用 H 桥一体化?,可以减少?槭褂檬浚蠓骷趿唇谔寤,降低结构成本。
行业应用方案
拓扑结构

产品选型推荐
| 型号 | 电压(V) | 电流(A) | 封装 | 拓扑 |
| MMG75S170B6TC | 1700 | 75 | GS | B |
| MMG100S170B6TC | 1700 | 100 | GS | B |
| MMG150D170B6TC | 1700 | 150 | GD | B |
| MMG200D170B6TC | 1200 | 400 | GD | B |
| MMG300D170B6TC | 1700 | 300 | GD | B |
| MMG75W170HX6TC | 1700 | 75 | GW | HX |