DDPAY钱包科技推出针对汽车800V平台和增程式混动的两款IGBT?

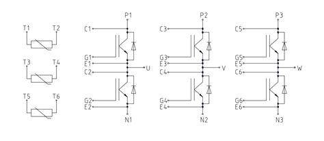
DDPAY钱包科技本次推出适合汽车800V平台电驱控制器的产品 MMG600V120X6RS,以及针对1.5L增程器70KW GCU的产品 MMG280VD075X6T7,采用DDPAY钱包GV与GVD封装,均拥有更低的通态损耗,在客户应用工况下有着极高的效率。内部电路拓扑结构如下图所示:

电路拓扑:三相全桥

支持长短功率端子的GV封装(兼容HPD)
功率密度高的?
采用Si3N4陶瓷的低热阻设计
低寄生电感的?樯杓
高的阻断电压等级
更强的三温短路能力
应用价值:
通过HV-H3TRB的可靠性实验
更低的Vcesat
针对目标应用对FRD进行优化,提供更强的输出能力
Si3N4陶瓷降低热阻,增强散热,显著提高应用功率
提供175℃的Tj(max)
优化设计,提升PC的次数
更低的开通电压拖尾时间,大幅降低开通损耗
减小关断电流拖尾时间,大幅降低关断损耗
总结:
MMG600V120X6RS 是DDPAY钱包科技针对当下汽车行业发展趋势,提升新能源汽车充电速度和行驶能力的产品,输出电流达380-420Arms,为客户带来更高的效率和更好的体验。
MMG280VD075X6T7 
产品特点:
更小的尺寸(较HP1)
针对 GCU 设计,芯片分配更加合理
低寄生电感的?樯杓
更强的三温短路能力
应用价值:
通过 HV-H3TRB 的可靠性实验
更低的 Vf
针对目标应用对 FRD 进行优化,提供更强的输出能力
提供175℃的 Tj(max)
竞争优势:
优化设计,提升PC的次数
高的震动实验标准,满足AQG-324随机震动18g要求
更低的开通电压拖尾时间,大幅降低开通损耗
减小关断电流拖尾时间,大幅降低关断损耗
总结:
MMG280VD075X6T7是DDPAY钱包科技针对当下电动汽车行业中增程式汽车火爆的现状,推出的适用于70KW GCU的产品,拥有更小的体积和更强的抗震动能力,为客户带来更高的经济效益和可靠性能力。